佛山市启航机械设备有限公司
旋转除铁器
上一个:抽屉式除铁器33 下一个:皮带滚筒自动除铁机
详情介绍

旋转除铁器 Spin the iron remover

旋转式磁性除铁器转动的磁棒可以防止物料结块堵塞被广泛的应用于锂电池正极负极材料,化工,煤炭,食品,石墨、耐火材料以及制药等行业中,适用于粉状或者颗粒状物料的除铁,是易于结块,搭桥,堵塞的粘性或者流动性不好的物料清除铁磁性杂质的良好选择。

产品特点Product characteristics

无能耗、无污染、结构简单、使用方便,除铁更彻底,效果更显著。本品采用稀土合金钕铁硼作为磁源,磁力强劲,使用寿命长,规格样式可按照客户使用要求及现场情况任意更改定制。适用于除铁要求更严格、除铁量更大的场合。

制作方案Production scheme

1:最大磁场可达14000GS,工作温度≤80℃,可定制工作温度350℃。2:进出口可以设计成法兰或方形接口可以方便的安装在各种管道上。3:多方案磁棒数量按物料特性可以调整可选易清洁套管结构、表面处理有喷砂,抛光,喷涂ETFE/ECTFE等

产品三维图纸示意

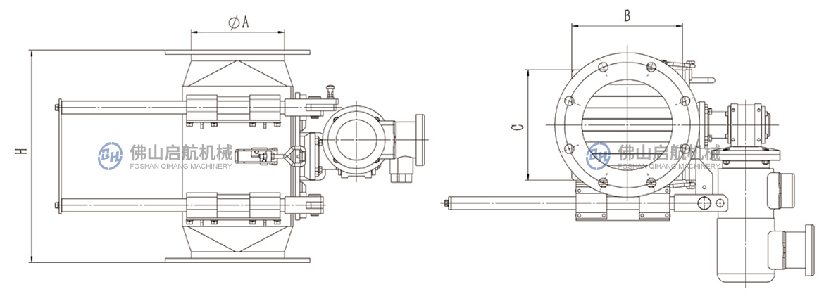
产品参数Product parameter

型号

尺寸

功率

磁棒数量

 

A

B

C

H

KW

 

FSQH-DN150

159

208

208

450

0.37

7

FSQH-DN200

219

260

260

500

0.37

9

FSQH-DN250

273

310

310

550

0.37

11

FSQH-DN300

325

355

355

600

0.37

13

FSQH-DN350

377

408

408

650

0.37

15